- Model: CAD
- Chất liệu van: Đồng
- Kích thước: 3/8″, 1/2″
- Kết nối: Ren
- Áp suất tối đa: 16bar (40, 80bar khi có yêu cầu)
- Nhiệt độ tối đa: 90ºC
- Cấp bảo vệ: IP65
Trong vận hành hệ thống khí nén công nghiệp, việc kiểm soát và loại bỏ nước ngưng tụ (condensate) là yếu tố sống còn để bảo vệ thiết bị và đảm bảo chất lượng khí đầu ra. Van xả nước tự động Adca Model CAD (Compressed Air Automatic Drain) là thiết bị chuyên dụng được thiết kế để thực hiện nhiệm vụ này một cách chính xác, linh hoạt và bền bỉ.
Tổng quan về Van xả nước tự động Adca Model CAD
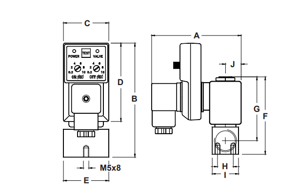
Model CAD là dòng van xả nước tự động hoạt động dựa trên sự kết hợp giữa một bộ định thời gian bán dẫn (solid-state timer) và một van điện từ (solenoid valve). Thiết bị này được thiết kế đặc biệt để tự động xả nước ngưng tụ từ các bộ lọc, bộ tách nước, máy sấy khí, bình tích áp và các điểm đọng nước trên đường ống dẫn khí nén.
Điểm mạnh của dòng van này là khả năng lập trình chu trình xả linh hoạt, giúp tối ưu hóa lượng khí nén tiêu hao trong khi vẫn đảm bảo loại bỏ hoàn toàn tạp chất lỏng và dầu ra khỏi hệ thống.
Đặc tính kỹ thuật nổi bật
Dựa trên tài liệu kỹ thuật từ nhà sản xuất Valsteam ADCA, Model CAD sở hữu những ưu điểm thiết kế vượt trội phù hợp cho môi trường công nghiệp:
1. Cơ chế điều khiển linh hoạt
Bộ định thời (Timer) cho phép người vận hành dễ dàng cài đặt hai thông số quan trọng:
-
Thời gian xả (Discharge time): Thời gian van mở để đẩy nước ra ngoài.
- Khoảng thời gian nghỉ (Interval time): Tần suất lặp lại chu kỳ xả.
Việc điều chỉnh này giúp thiết bị thích nghi với nhiều điều kiện độ ẩm và lưu lượng khí nén khác nhau của từng nhà máy.
2. Tích hợp nút kiểm tra thủ công (Manual Test)
Trên bộ điều khiển có tích hợp sẵn nút “Test”. Tính năng này cho phép kỹ thuật viên kích hoạt van xả ngay lập tức để kiểm tra hoạt động của van hoặc xả cưỡng bức lượng nước ngưng lớn đột biến mà không cần chờ đến chu kỳ cài đặt.
3. Cấu tạo bền bỉ và đa dạng vật liệu
-
Thân van: Tiêu chuẩn là Đồng thau (Brass). Tùy chọn nâng cấp lên Thép không gỉ (Stainless Steel) cho các môi trường ăn mòn hoặc yêu cầu vệ sinh cao.
-
Các chi tiết trong: Ống dẫn từ và lò xo làm từ thép không gỉ, đảm bảo độ bền cơ học và chống gỉ sét.
-
Lớp làm kín: Sử dụng vật liệu NBR, đảm bảo độ kín khít tuyệt đối.
4. Tiêu chuẩn bảo vệ cao
Bộ cuộn dây (Coil) và vỏ hộp đấu điện được thiết kế đạt chuẩn IP65, giúp van xả nước tự động hoạt động an toàn trong môi trường bụi bẩn và ẩm ướt thường thấy tại các phòng máy nén khí.
Thông số kỹ thuật chi tiết
-
Model: CAD (Compressed Air Drain).
-
Kích thước (Size): 3/8″ và 1/2″ (DN10 – DN15).
-
Kiểu kết nối: Ren trong ISO 7 Rp.
-
Áp suất làm việc: Từ 0 bar đến 16 bar.
-
Nhiệt độ lưu chất tối đa: 90°C.
-
Nhiệt độ môi trường: -10°C đến +50°C.
-
Điện áp nguồn: Tiêu chuẩn 215-265 V AC (Tùy chọn 24 V DC).
-
Vị trí lắp đặt: Linh hoạt theo mọi hướng (khuyến nghị lắp đứng để tối ưu hiệu quả xả nước).
Ứng dụng thực tế
Van xả nước tự động Adca CAD tương thích với khí nén, dầu, các loại khí và chất lỏng khác phù hợp với vật liệu chế tạo van. Thiết bị thường được lắp đặt tại:
-
Đáy bình chứa khí nén (Air Receivers).
-
Bộ tách nước (Separators) và Bộ làm mát sau (Aftercoolers).
-
Máy sấy khí (Dryers).
-
Các điểm thấp nhất trên đường ống dẫn khí (Drip legs).
Tại sao nên chọn Adca Model CAD?
Sử dụng Adca CAD giúp loại bỏ rủi ro quên xả nước thủ công, ngăn chặn nước xâm nhập vào các thiết bị sử dụng khí nén cuối cùng (như xy lanh, dụng cụ cầm tay), từ đó giảm chi phí bảo trì và kéo dài tuổi thọ toàn hệ thống. Với thiết kế nhỏ gọn, dễ lắp đặt và cài đặt trực quan, đây là giải pháp kinh tế và hiệu quả nhất cho bài toán xử lý nước ngưng.
Quý khách hàng quan tâm đến dòng sản phẩm Van xả nước tự động Adca Model CAD, vui lòng liên hệ bộ phận kỹ thuật để được tư vấn và báo giá chi tiết.










