- Model: MUT2200EL
- Size: DN15 – DN2000
- Chất liệu: inox 304/316
- Nhiệt độ hoạt động:
- PTFE: -40 ~ 130ºC (180ºC nếu yêu cầu)
- Ebonite: -40 ~ 80ºC
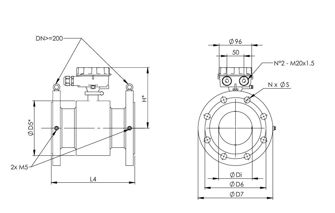
- Cấp bảo vệ: IP68
- Đạt chuẩn: OIML
Euromag MUT2200EL là dòng cảm biến đại diện cho công nghệ sản xuất tiên tiến nhất của Euromag International, được thiết kế chuyên biệt cho các ứng dụng trong chu trình nước và quy trình công nghiệp.
Điểm đột phá của dòng sản phẩm này nằm ở cấu trúc tạo từ trường mới và đường dẫn tín hiệu điện cực cải tiến, mang lại khả năng đo lường trên một dải lưu lượng cực rộng. Hậu tố “EL” – Extended Linearity (Tuyến tính mở rộng) khẳng định khả năng đo chính xác với tỷ lệ dải đo (turndown ratio) lớn hơn 1:1000 mà không cần can thiệp bằng phần mềm tuyến tính hóa. Điều này cho phép cảm biến ghi nhận chính xác các giá trị lưu lượng rất thấp, khắc phục hoàn toàn tình trạng ngắt tín hiệu (cut off) thường gặp ở các thiết bị đo truyền thống.
Đặc tính kỹ thuật nổi bật
MUT2200EL tích hợp những ưu điểm kỹ thuật cốt lõi nhằm đảm bảo hiệu suất vận hành tối ưu:
-
Độ chính xác vượt trội: Thiết bị đạt độ chính xác 0,2% pm 2mm/s và hỗ trợ phép đo hai chiều (bi-directional).
-
Thiết kế bền bỉ: Cấu trúc hàn kín hoàn toàn (fully welded) giúp cảm biến đạt cấp bảo vệ IP68 (theo chuẩn EN 60529), cho phép ngâm vĩnh viễn trong nước ở độ sâu lên đến 1.5m.
-
Bảo vệ chống ăn mòn: Bề mặt ngoài và mặt bích được phủ sơn Acrylic tiêu chuẩn có khả năng kháng nước xuất sắc, hoặc tùy chọn sơn chuyên dụng cho môi trường ăn mòn cấp C4.
-
Cách điện hoàn toàn: Lòng ống đo được cách điện, ngăn chặn sự tiếp xúc trực tiếp giữa chất lỏng với vật liệu ống hoặc mặt bích, đảm bảo phép đo điện thế chính xác.
-
Tính năng thông minh:
-
Tích hợp sẵn điện cực báo đường ống rỗng (Empty pipe electrode) cho các kích thước từ DN50 trở lên.
-
Tùy chọn tích hợp cổng lấy áp suất (Integrated pressure sensor) ngay trên thân đồng hồ.
-
-
Tương thích hệ thống: Cảm biến có thể kết nối linh hoạt với toàn bộ dải bộ chuyển đổi (converter) của Euromag như MC608 A/B/R/P/I và MC406.
Thông số kỹ thuật chi tiết
MUT2200EL cung cấp các tùy chọn cấu hình đa dạng để phù hợp với mọi điều kiện vận hành khắt khe:
-
Dải kích thước (Diameter): Rất rộng, từ DN15 đến DN2000.
-
Vật liệu cấu tạo (Materials):
-
Thân & Mặt bích: Thép carbon sơn (tiêu chuẩn), tùy chọn Inox AISI 304 hoặc AISI 316.
-
Ống đo (Flow tube): Inox AISI 304 (tiêu chuẩn), hoặc AISI 316.
-
Điện cực: Hastelloy C (tiêu chuẩn – tương thích hầu hết chất lỏng), tùy chọn Hastelloy B, Titanium, Tantalum, Platinum.
-
-
Lớp lót bên trong (Internal Lining):
-
PTFE: Cho đường kính DN15 – DN100 (có thể mở rộng cho size lớn hơn theo yêu cầu).
-
Ebonite (Cao su cứng): Cho đường kính DN125.
-
-
Nhiệt độ làm việc: Tiêu chuẩn từ 40°C 130°C (có thể chịu nhiệt lên đến 180°C theo yêu cầu).
-
Kết nối mặt bích: Đa dạng tiêu chuẩn quốc tế: EN1092-1, ANSI 150/300/600/900, DIN 2501, BS 4504, JIS 10K, AS 2129, AS 4087.
Tiêu chuẩn và Chứng nhận
Sản phẩm đáp ứng đầy đủ các tiêu chuẩn quốc tế về đo lường và an toàn công nghiệp:
-
Đo lường thương mại (Custody Transfer): Đạt chứng nhận OIML R49 và MID MI-001 (khi kết hợp với bộ chuyển đổi tương thích), đảm bảo độ tin cậy trong giao dịch thương mại.
-
An toàn thực phẩm & nước uống: Vật liệu lớp lót PTFE và Ebonite tuân thủ các chuẩn WRAS, FDA, DM174.
-
Môi trường nguy hiểm: Chứng nhận phòng nổ ATEX – IECEx.
-
Tiêu chuẩn Châu Âu: Đạt chuẩn CE (LVD 2014/35/EU, EMC 2014/30/EU).
Nguyên lý hoạt động
Cảm biến hoạt động dựa trên Định luật cảm ứng điện từ Faraday. Khi một dây dẫn (chất lỏng dẫn điện) di chuyển cắt qua từ trường, một điện thế sẽ được sinh ra theo phương vuông góc với từ trường đó.
Bên trong MUT2200EL, hai cuộn dây sinh ra từ trường, và các điện cực sẽ đo hiệu điện thế cảm ứng này. Giá trị điện thế thu được tỷ lệ thuận trực tiếp với tốc độ dòng chảy của chất lỏng.
Ứng dụng thực tế
Với thiết kế mạnh mẽ và dải đo rộng, Euromag MUT2200EL là giải pháp lý tưởng cho các ứng dụng trực tuyến (on-line application) bao gồm:
-
Đo lưu lượng nước sạch, nước uống (potable water) và mạng lưới phân phối nước.
-
Hệ thống xử lý nước thải công nghiệp và nước thải sinh hoạt.
-
Đo lường bùn (muds), bê tông (concretes) và các chất lỏng quy trình công nghiệp.
-
Hệ thống thủy lợi, đập thủy điện, trạm bơm.
-
Công nghiệp khai thác mỏ.
-
Các vị trí lắp đặt ngầm hoặc nơi có nguy cơ ngập nước thường xuyên.
Đồng hồ đo lưu lượng Euromag MUT2200EL mang đến sự kết hợp hoàn hảo giữa độ chính xác cao, độ bền công nghiệp và khả năng tương thích linh hoạt. Đây là giải pháp toàn diện giúp tối ưu hóa hiệu quả quản lý nguồn nước và quy trình sản xuất của bạn.
Liên hệ ngay với chúng tôi để được tư vấn chọn kích thước, vật liệu và nhận báo giá tốt nhất cho dự án của bạn.























