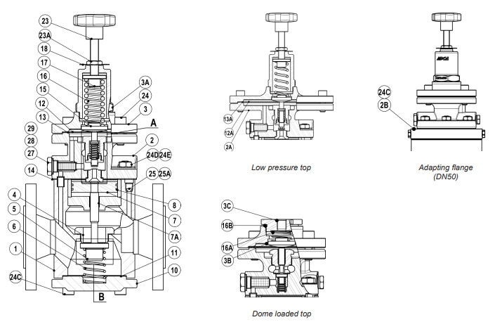
Van duy trì áp suất Adca Model PS47 :
- Model: PS47
 
- Vật liệu: Thép Carbon/ Thép không gỉ
- Kích thước: DN15 – DN50
- Kết nối: Ren/ Bích/ Hàn
- Áp suất hoạt động tối đa: 17bar
- Nhiệt độ hoạt động tối đa: 250ºC
- Áp suất giảm: 0,07 ~ 17bar
Tư vấn sản phẩm/hỗ trợ kỹ thuật
Email: contact@eco-genergy.com
Hotline: 0901 19 06 08
Xem thêm: Các loại van giảm áp tại Ecozen
Bộ góp hơi Adca Model MAS :
 
		
				Đồng hồ áp suất màng nối ren New Flow Model DT110:
 
		
				
 
		
				Van hơi chữ ngã Adca Model VF20:
 
		
				Trạm bơm thu hồi nước ngưng Adca Model POP-S :
 
		
				
 
		
				Đồng hồ áp suất màng nối bích New Flow Model DT122:
 
		
				
 
		
				
 
		
				Bẫy hơi phao Adca Model FLT17 (DN 25HC) :
 
		
				You can see how this popup was set up in our step-by-step guide: https://wppopupmaker.com/guides/auto-opening-announcement-popups/
You can see how this popup was set up in our step-by-step guide: https://wppopupmaker.com/guides/auto-opening-announcement-popups/
You can see how this popup was set up in our step-by-step guide: https://wppopupmaker.com/guides/auto-opening-announcement-popups/






