Ống Siphon Adca Model GSC-GSU (Thép Không Gỉ)

Thông tin cơ bản

Ống siphon Adca Model GSC-GSU :

  • Model: GSC-GSU
  • Chất liệu: Thép không gỉ
  • Size: DN15 (male x female) 
  • Kết nối: Ren
  • Giới hạn hoạt động:
    • 40bar tại 300ºC
    • 110bar tại 100ºC

Tư vấn sản phẩm/hỗ trợ kỹ thuật

Email: contact@eco-genergy.com

Hotline: 0901 19 06 08

Báo giá Tải Catalog

5/5 - (1 vote)

Ống siphon (hay còn gọi là ống xi-phông, ống cong) là một thiết bị phụ trợ không thể thiếu trong các hệ thống đường ống công nghiệp, đặc biệt là các hệ thống hơi nóng và chất lỏng nhiệt độ cao. Ống siphon Adca Model GSC và GSU được thiết kế chuyên dụng để bảo vệ đồng hồ đo áp suất, đảm bảo độ chính xác và kéo dài tuổi thọ cho thiết bị đo lường.

Giới thiệu chung về Ống Siphon Adca

Dòng sản phẩm ống siphon GSC và GSU của thương hiệu Valsteam ADCA (Bồ Đào Nha) hoạt động như một bộ phận làm mát (cooling element) cho chất lỏng và khí trước khi chúng tiếp xúc trực tiếp với cảm biến của đồng hồ áp suất.

Việc lắp đặt ống siphon giúp ngăn chặn ảnh hưởng tiêu cực của:

  • Các đợt tăng áp suất đột ngột (Rapid pressure surges).

  • Chất lưu có nhiệt độ cao (như hơi bão hòa, dầu nóng).

Đặc điểm kỹ thuật nổi bật

Sản phẩm được chế tạo hoàn toàn từ thép không gỉ (Inox), mang lại khả năng chống ăn mòn vượt trội và độ bền cao trong môi trường công nghiệp khắc nghiệt.

Vật liệu cao cấp:

  • Phần ống uốn (Coil): Thép không gỉ AISI 316L (1.4404).

  • Phần kết nối (Connections): Thép không gỉ AISI 304 (1.4301).

Đa dạng chủng loại:

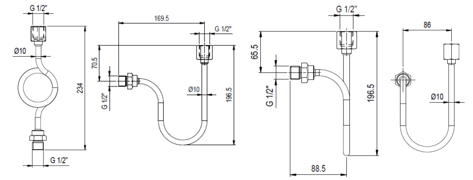
  • Model GSC-40: Dạng xoắn lò xo (Coil/Pigtail), thích hợp cho lắp đặt trên đường ống đứng.

  • Model GSU-40 / GSUL-40: Dạng chữ U, thích hợp cho lắp đặt trên đường ống ngang.

Ứng dụng rộng rãi: Bảo vệ đồng hồ áp suất trên các hệ thống hơi nóng (steam), khí nén (compressed air), nước và các loại chất lưu khác tương thích với vật liệu inox.

Thông số kỹ thuật chi tiết

Dưới đây là bảng thông số kỹ thuật quan trọng của ống siphon Adca mà kỹ sư và nhân viên mua hàng cần lưu ý:

Thông số Chi tiết
Model GSC-40 (Xoắn), GSU-40 (Chữ U), GSUL-40 (Chữ U dài)
Kích thước kết nối 1/2″ (Ren ngoài x Ren trong)
Chuẩn kết nối Female screwed ISO 7/1Rp (BS21)
Giới hạn áp suất & Nhiệt độ

40 bar tại 300°C


110 bar tại 110°C

Trọng lượng ~ 0,34 kg
Xuất xứ Valsteam ADCA (Châu Âu)

Ống siphon Adca Model GSC-GSU

Hướng dẫn lắp đặt và Lưu ý sử dụng

Để ống siphon phát huy tối đa hiệu quả bảo vệ, việc lựa chọn kiểu dáng và vị trí lắp đặt là rất quan trọng:

  1. Lựa chọn Model theo vị trí:

    • Sử dụng Model GSC (dạng xoắn) cho các vị trí trích áp từ đường ống thẳng đứng (Vertical pipes) hoặc trên đỉnh bồn chứa.

    • Sử dụng Model GSU (dạng chữ U) cho các vị trí trích áp từ đường ống nằm ngang (Horizontal pipes).

  2. Khuyến cáo: Nhà sản xuất khuyến nghị nên lắp đặt kèm một van phân cách (cock valve hoặc van bi) giữa đường ống và siphon để thuận tiện cho việc bảo trì hoặc thay thế đồng hồ áp suất mà không cần ngưng hệ thống.

  3. Nguyên lý hoạt động: Phần cong của ống siphon sẽ giữ lại một lượng nước ngưng (đối với hệ thống hơi). Lớp nước ngưng này đóng vai trò như một “lớp đệm nhiệt”, ngăn hơi nóng tiếp xúc trực tiếp làm hỏng ống Bourdon hoặc cảm biến bên trong đồng hồ.

Ống siphon Adca Model GSC-GSU

Tại sao nên chọn Ống Siphon Inox của Adca?

So với các loại siphon thép đen thông thường, ống siphon inox của Adca mang lại lợi ích kinh tế lâu dài nhờ khả năng chịu áp lực cao lên tới 110 bar (ở điều kiện nhiệt độ thường) và khả năng làm việc bền bỉ ở nhiệt độ lên tới 300°C. Đây là giải pháp an toàn và tối ưu cho các nhà máy thực phẩm, dược phẩm, dệt may và hóa dầu.


Bạn cần tư vấn thêm về kích thước hoặc bản vẽ kỹ thuật chi tiết?

Liên hệ ngay với bộ phận kỹ thuật của Ecozen để được hỗ trợ lựa chọn model ống siphon phù hợp nhất cho hệ thống của bạn.

Dịch vụ

Catalogue

5/5 - (1 vote)

Nút download

Sản phẩm tương tự

Hỗ trợ kỹ thuật / tư vấn báo giá

0901 19 06 08

    Chat Zalo
    Gọi 0901 19 06 08